Kutatás-fejlesztési
eredmény ismertető
Ipari
előleválasztó prototípus fejlesztéséről
(GINOP-2.1.7-15-2016-00335)
A prototípus fejlesztés célja
A magyar fémfeldolgozó iparban számos olyan beszállító
vállalkozás működik, ahol a fő tevékenység a forgácsolás, és a forgácsoló
gépekhez kapcsolva régebben telepített elszívó rendszerek vannak, de sok helyen
egyáltalán nincs olajköd leválasztó berendezés, vagy
rendszer. A kifejlesztett előleválasztó alkalmas a régi berendezés elé
kapcsolva annak élettartamát és a leválasztás hatékonyságát növelni, vagy
finomszűrővel kiegészítve önállóan is alkalmazható.
A berendezés élelmiszeripari porokra is alkalmazható. Számos
technológiai folyamat (alapanyag feldolgozás, darálás, kimérés) során képződik
kiporzás. Sok esetben az élelmiszeripari porok a levegő párájával érintkezve
tapadóssá, ragadóssá válnak, a por leválasztása ezáltal rendkívül nehézkes, vagy költséges a szűrőcserék miatt.
A fejlesztési folyamat leírása
A fejlesztési munka kezdő lépése a készülék méretek
nagyságrendi meghatározása, és az előleválasztó elem méreteinek meghatározása.
Célul tűztük ki, hogy a két típus közül az egyik akár egy cnc
gép tetejére is telepíthető kivitel legyen, a másik, nagyobb teljesítményű
pedig álló kivitelű. Ezen kívül a szekrény méreteket a ventilátorok fizikai
mérete is befolyásolja. Egy átlagos cnc gépből
elszívandó levegő mennyisége 400-500 m3/h. A kisebb típust arra tervezzük, hogy
2 db cnc gépet tudjon ellátni, a nagyobb pedig akár 4
db-ot is. Ebből következik, hogy a kisebb egység 800-1000, a nagyobb 1600-2000
m3/h légszállítással kell, hogy rendelkezzen. A ventilátorok kiválasztásához
szükséges a munkapont meghatározása, melyhez a szükséges nyomásemelést is meg
kell határozni.
A berendezés becsült saját nyomásveszteségét induló
állapotban 600-1000 Pa közé becsüljük.
Ehhez jön a szívó oldali hálózati nyomásveszteség, és a nyomó
oldal vesztesége (esetenként a nyomó oldali, szűrt
levegőt is ki kell vezetni, ezért erre is kell méretezni. Együttesen a
rendszerveszteségekre további 1000 Pa-t becsülünk, és a ventilátor
kiválasztásnál ezt a nagyságrendet vesszük figyelembe.
A kiválasztott ventilátorok adatai:
1-es típushoz; Dynair PV-L 352 tip.:



A ventilátor fizikai méretei:

2-es típushoz; PV-L 402 tip.:

A ventilátor fizikai méretei:

Elektromos és egyéb adatok:


Előzetes mérések, tesztek
Az előzetes mérések és tesztek elkészítéséhez kezdetben a
helyszínen rendelkezésre álló forgácsoló cnc-t
használjuk fel. A tesztek megkezdéséhez ideiglenesen ventilátor és szűrő fogadó
szekrényeket készítünk, melyekbe behelyezhetőek a vizsgálandó egységek Mivel a
forgácsoló cnc-ből forgács is bekerül a rendszerbe,
szükséges egy olyan kamrarész kialakítása, ahol a forgács kiválhat a levegőből,
és azt viszonylag egyszerűen ki is lehet tisztítani.
Nagy
mennyiségű forgács is bekerülhet a rendszerből:
Forgácsleválasztó kamrarész kialakítása:
A
for A
forgácskiválás már a csővezetékben elkezdődik.

A kialakított kamrarészbe
hátulról lép be a szennyezett levegő, és a terelő
lemez örvénymozgásra
kényszeríti. A centrifugális erő a forgácsot a készülék
fala felé tereli. A forgácstól
megtisztított levegő középen, a kör csonknál
áramlik felfelé. A kamrarész bal
oldalába tolható be az előleválasztó elem,
melyből a durva szennyeződés
lefelé távozik, a tisztított levegő pedig felfelé,
a „búvárcsöveken” keresztül.
A 6 csöves, 600mm-es előleválasztó
elem nyomásvesztesége az előzetes mérések alapján:

Az álló berendezésbe 2 db
előleválasztó elemet terveztünk, a kamra kialakítás hasonló a fekvő
elrendezésűéhez.
A középső szűrőfokozat
méréseihez használt ideiglenes fogadó szekrények:

A szűrőszekrények segítségével
megkezdjük a próbaszűrők és a szűrőanyagok vizsgálatát.

A vizsgálat során az előleválasztó
elem próbadarabján kívül üvegszál, alumínium expandált és horganyzott
szitaszövet szűrőanyagokat vizsgálunk.
Az előzetes mérések következő
fázisa a középszűrő anyagának és nyomásveszteségének meghatározása.
Az alumínium anyagú expandált
lemez szűrőbetétet 10-től 30 rétegig vizsgáltuk.

Mivel a kisebb rétegszám gyenge
leválasztást produkált, csak a 30 rétegű elem nyomásveszteségét mértük ki,
600x600mm keresztmetszetben.

A horganyzott szitaszövet (0,3mm
fonat) 40 és 60 rétegben került be a bontható horganyzott keretbe. A 60 rétegű
szűrőelem nyomásvesztesége kisebb, mint a 30 rétegű expandált lemezes betété, és az előzetes mérés szerint a leválasztási foka is
jobb.

A kedvezőbb eredmények miatt a
közép fokozatú szűrőelem anyagaként a pontosabb mérésekhez horganyzott szövetet
alkalmazzuk.
A finomszűrő anyagok
tekintetében két féle anyaggal próbálkoztunk. Az egyik a poliészter szövet, a
másik anyag mikroszálas üvegfátyol szövet. A csapadék
leereszkedése az üvegszövet szűrőnél bizonyult jobbnak, ezért a kialakítandó
berendezés egyik opcionális finomszűrője mikroszálas
üvegszövetből készül.
A pontosabb mérések elvégzése
érdekében szükségessé vált egy szennyező anyagot adagoló, szennyezést szimuláló
berendezés, mely megfelelően szabályozható. Erre szolgál a megtervezett és
megépített porlasztó kamra.
A pályázat keretében létrehozott
szimulációs porlasztó kamra átnézeti rajza és képe:


Műszaki adatok
Szivattyú: Viscomat
200/2T tip.
Elektromos adatok: U=400V,
0,55kW, n=1450 1/min.
Folyadékszállítás: 9l / perc
Porlasztó fúvóka:
Típus: DAW 0740 B1
Szóráskép: telekúp, 120°.
Térfogatáram: 0,74 liter/perc /
db – 3 bar-nál (beépítve 2 db)
Fűtés: Heizer
2kW-os fűtőbetét (95-7-5/4”)
Porlasztott emulzió: 10% Makromil 300 – víz keverék
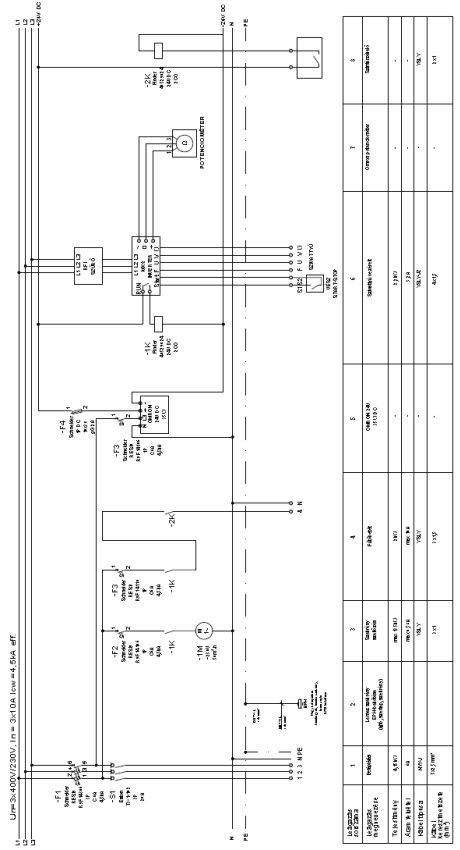
A porlasztó kamra villamos
vezérlésének kapcsolási rajza:

A szekrényelemek kialakult
méreteivel elkészülnek a fekvő és az álló kivitelű berendezés tervei.
A tervdokumentáció alapján a
gyártást és leszállítást követően a berendezéseket a helyszínen összeállítjuk,
és a villamos tervdokumentáció szerint legyártott vezérlést ráépítjük a
berendezésekre.
A berendezések nyomó oldalát
csővezetékkel a külső térbe vezetjük ki, mivel a szűrőfokozatok vizsgálata
során olajos levegő is távozik a berendezésekből. (A helyiségben a friss levegő ellátásról külön hővisszanyerős
kis légkezelő gondoskodik.)
A két berendezés légmennyiség,
nyomásveszteség, és leválasztási fok értékeiről külön jegyzőkönyv készül. Az
előbbieket Testo 440 Dp
kombinált légtechnikai mérőműszerrel, az utóbbit TSI Dusttrak
II lézeres részecskeszámlálóval végezték.
A porlasztó kamrát csővezetékkel
összekötjük a leválasztó szívó csonkjával.
Beüzemeljük a porlasztó kamrát,
melynek porlasztását a frekvenciaváltó segítségével tudjuk szabályozni. Az
emulziót MOL Makromil 300 tip.
olajjal készítjük el, kezdetben 5, majd 10%-os arányban.

Mérési eredmények:
|
Előleválasztó 1-es tip. légszállítás és nyomásveszteség |
||||
|
Kimeneti Frekv.
[Hz] |
Térfogatáram [m3/h] |
Nyomásveszteség előlev.
elem [Pa] |
Nyomásveszteség közép. [Pa] |
Össz
nyomásveszteség [Pa] |
|
50 |
1138 |
620 |
54 |
674 |
|
45 |
1048 |
500 |
50 |
550 |
|
40 |
930 |
395 |
45 |
440 |
|
35 |
818 |
305 |
40 |
345 |
|
30 |
675 |
220 |
32 |
252 |
|
25 |
537 |
148 |
30 |
178 |
|
Teljes részecsketartomány -
előleválasztó -részecskemérés |
||||
|
Térfogatáram
[m3/h] |
Össz nyomásveszteség [Pa] |
Szenny.
Terhelés - konc. [mg/m3] |
Koncentráció
[mg/m3] |
Leválasztás
[%] |
|
1138 |
674 |
0,81 |
0,2997 |
63 |
|
1048 |
550 |
0,8 |
0,312 |
61 |
|
930 |
440 |
0,9 |
0,405 |
55 |
|
818 |
345 |
0,9 |
0,495 |
45 |
|
675 |
252 |
0,92 |
0,552 |
40 |
|
537 |
178 |
1 |
0,62 |
38 |
|
Teljes részecsketartomány - középszűrő részecskemérés |
||||
|
Térfogatáram
[m3/h] |
Össz nyomásveszteség [Pa] |
Szenny.
Terhelés - konc. [mg/m3] |
Koncentráció
[mg/m3] |
Leválasztás
[%] |
|
1138 |
674 |
0,2997 |
0,143856 |
52 |
|
1048 |
550 |
0,312 |
0,156 |
50 |
|
930 |
440 |
0,405 |
0,2106 |
48 |
|
818 |
345 |
0,495 |
0,2871 |
42 |
|
675 |
252 |
0,552 |
0,3312 |
40 |
|
537 |
178 |
0,62 |
0,3906 |
37 |
|
5µm részecsketartomány - előleválasztó részecskemérés |
||||
|
Térfogatáram
[m3/h] |
Össz nyomásveszteség [Pa] |
Szenny.
Terhelés - konc. [mg/m3] |
Koncentráció
[mg/m3] |
Leválasztás
[%] |
|
1138 |
674 |
0,81 |
0,0972 |
88 |
|
1048 |
550 |
0,8 |
0,192 |
76 |
|
930 |
440 |
0,9 |
0,252 |
72 |
|
818 |
345 |
0,9 |
0,27 |
70 |
|
675 |
252 |
0,92 |
0,322 |
65 |
|
537 |
178 |
1 |
0,4 |
60 |
|
5µm részecsketartomány - középszűrő részecskemérés |
||||
|
Térfogatáram
[m3/h] |
Össz nyomásveszteség [Pa] |
Szenny.
Terhelés - konc. [mg/m3] |
Koncentráció
[mg/m3] |
Leválasztás
[%] |
|
1138 |
674 |
0,0972 |
0,017496 |
82 |
|
1048 |
550 |
0,192 |
0,05376 |
72 |
|
930 |
440 |
0,252 |
0,0756 |
70 |
|
818 |
345 |
0,27 |
0,0864 |
68 |
|
675 |
252 |
0,322 |
0,12236 |
62 |
|
537 |
178 |
0,4 |
0,18 |
55 |
|
Előleválasztó 2-es tip.
légszállítás és nyomásveszteség |
|||||
|
Kimeneti Frekv. [Hz] |
Térfogatáram
[m3/h] |
Nyomásveszteség
előlev. elem [Pa] |
Nyomásveszteség
közép. [Pa] |
Nyomásveszteség
finom. [Pa] |
Össz nyomás-veszteség [Pa] |
|
50 |
2118 |
430 |
210 |
270 |
910 |
|
45 |
1885 |
345 |
198 |
254 |
797 |
|
40 |
1560 |
280 |
184 |
228 |
692 |
|
35 |
1395 |
215 |
176 |
213 |
604 |
|
30 |
918 |
150 |
166 |
198 |
514 |
|
25 |
787 |
104 |
158 |
183 |
445 |
|
Teljes részecsketartomány -
előleválasztó 2-es tip. Részecskemérés |
||||
|
Térfogatáram
[m3/h] |
Össz nyomásveszteség [Pa] |
Szenny.
Terhelés - konc. [mg/m3] |
Koncentráció
[mg/m3] |
Leválasztás
[%] |
|
2118 |
910 |
0,45 |
0,1575 |
65 |
|
1885 |
797 |
0,55 |
0,2035 |
63 |
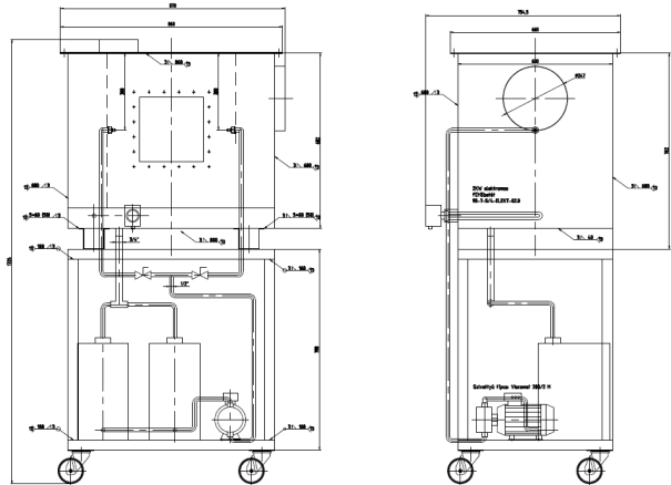
A kifejlesztett berendezések,
adatok
Kifejlesztett prototípus, 1 –es
típus
Főbb műszaki adatok:
-
Elrendezés: fekvő
-
Méretek (Szé. x Ma. x Mé.): 1350x700x700
(768) mm.
-
Elektromos adatok: U=400V; P=1,1 kW, I=2,4A
-
Légszállítás: Vnévl=1100
m3/h, Dp(st)=670 Pa.
-
Leválasztási fok: 63% (előleválasztó és
középszűrő) finomszűrés nélkül
-
Ventilátor típus: PV-L 352 1,1kW
-
Vezérlés: fordulatszám szabályozott vezérlés,
nyomás távadóval, elszívó csőben mért vákuum állandó értéken tartásával.
-
Frekvenciaváltó: Omron
MX-2
-
Előleválasztó betételem méret: H=575; B=600,
csőszám: 6db
-
Középszűrő: 490x500x100; rétegszám: 65 (0,3mm)
Átnézeti rajz a berendezésről:




Átnézeti rajz a hangcsillapított kifúvó elemről:


Az elkészült berendezés:
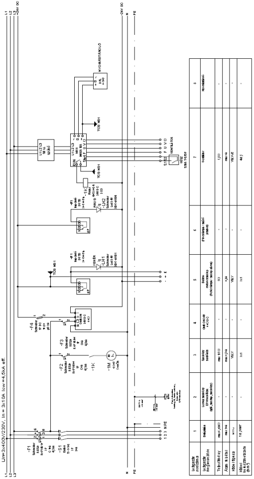
A berendezés elektromos
vezérlő szekrénye
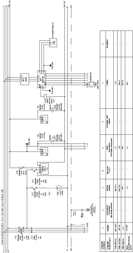
A berendezés villamos vezérlésének kapcsolási rajza:

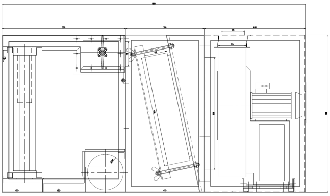
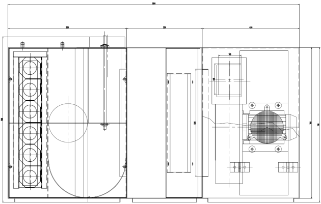
Kifejlesztett prototípus, 2 –es típus
Főbb műszaki adatok:
Elrendezés: álló
Méretek (Szé.
x Ma. x Mé.) előleválasztó és középszűrő szekció: 700x1400x700 mm
Finomszűrő (opcionális) szekció:
700x460x700
mm
Ventilátor szekció: 700x550x700
mm
Elektromos adatok: U=400V; P=2,2
kW, I= 4,68A
Légszállítás: Vnévl=2100 m3/h, Dp(st)=910 Pa.
Leválasztási fok: 60%
(előleválasztó és középszűrő)
finomszűrés nélkül.
Finomszűrővel 97%.
Ventilátor típus: PV-L 402 2,2
kW
Frekvenciaváltó: Omron MX-2
Előleválasztó betételem méret:
H=600; B=600,
csőszám: 6db, 2 soros
Középszűrő: 260x600x100;
rétegszám: 65 (0,3mm), 2db
Vezérlés: fordulatszám
szabályozott vezérlés,
nyomás távadóval, elszívó csőben
mért vákuum
állandó értéken tartásával.
Frekvenciaváltó: Omron MX-2
Átnézeti rajz a berendezésről
(tartólábak nélkül):
A berendezések tulajdonságai
A létrehozott prototípus (2db)
lényegében alacsony üzemeltetési költségű, jó leválasztási hatásfokkal üzemelő
ipari leválasztókamra, mely több szekcióból áll. A szekciókba építhetők be az
előleválasztó, középszűrő, és –opcionálisan- a finomszűrő elemek. A berendezés
első szűrőfokozata egy előleválasztó elem, mely olyan hajlítási technológiával
került kialakításra, mely lehetővé teszi a költséghatékony sorozatgyártást, és
tisztítási célból könnyen szétszedhető. Ez a ciklon elvű előleválasztó elem
alkalmas főleg a kisnyomású hűtéssel felszerelt forgácsoló gépek emulzió és
olajködének 5 µm feletti frakciójának jó hatásfokú leválasztására, de más, nem
agresszív anyagokra is alkalmazható (pl. nagykonyhai rendszerek zsírgőz
leválasztására is). A középszűrő fokozat egy sűrűszövésű, kis keresztmetszetű
(0,2-0,3mm) horganyzott fonatanyag 60 rétegben, egymáson eltolva, keretbe
foglalva, a rétegek a rugalmasság érdekében kissé meghajtva. Ez a szűrőfokozat
is tisztítható kivitelű. (A teljes frakcióban a leválasztási fok 59%). Az
eszköz további –opcionális -szűrőfokozattal szerelhető fel.
A berendezés tesztelése
megtörtént élelmiszeripari porokra is. A szárított zöldség- és gyümölcsporok
kellemetlen tulajdonsága, hogy átlagos páratartalomnál ( f>30-35%)
már erősen tapadnak, magasabb értéknél pedig ragacsos állagúvá változnak. A
szövetszűrőket könnyen eltömítik, ezért különösen előnyös az előleválasztó
használata.
Az előleválasztó elem megfelelő
hatásfokkal (előleválasztó szekció; h=75%)
távolítja el a ragacsos
szennyeződést, így a közép fokozat szűrőjét is elegendő
havi rendszerességgel tisztítani.
Zöldség és gyümölcs porok szűrése esetén az
előleválasztó elem porgyűjtő
tartályos kivitelű:
A gyűjtőedényben jól látható a
leválasztott anyag, a szekrény falán
pedig a szennyeződés. A tiszta
oldalon látható, hogy az anyag nem, vagy csak
kis mértékben jut tovább a közép
fokozatú szűrőbe:

A szennyeződés kiválása jól megfigyelhető
az előleválasztó elem palástján, és a porgyűjtő tartályban:



A fejlesztés hatásai
A kifejlesztett berendezés
gyártója nagyobb hozzáadott értékkel – és így árbevétel növekedéssel – lehet
jelen a piacon, pozícióját erősíti, ha a drágább import berendezés helyett
kedvezőbb árú műszaki megoldással oldja meg a levegőtisztaság-védelmi
feladatokat, melynek követelményei egyre szigorodnak, költségei pedig jelentős
terhet rónak az érintett vállalkozásokra.
A magyar vállalkozásoknak fontos
a költséghatékony üzemeltetés, márpedig az eldobható szűrőkkel rendelkező
szűrőberendezésekkel szemben itt két leválasztó fokozat gyakorlatilag örökéletű,
és hosszútávon jelentős megtakarítást eredményez.
Közzététellel kapcsolatos
információ:
A berendezések a fenntartási
időszak alatt a fejlesztő drégelypalánki telephelyén -előzetes egyeztetés
alapján- tesztelhetőek.
Expand Air
Kft.